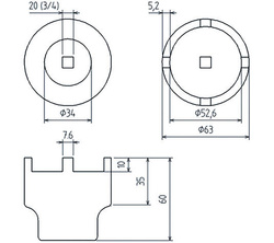
Klucz widełkowy do przegubu wahacza dla Mercedes-Benz Klasa M
- Klucz widełkowy do przegubu wahacza dla Mercedes-Benz Klasa M
Klucz widełkowy do przegubu wahacza dla Mercedes-Benz Klasa M
- do modeli Mercedes-Benz Klasa M W163 do czerwca 2005 lub W164 od 2005
- profesjonalna wymiana przegubów kulowych przedniej i tylnej osi
- ułatwia odkręcanie lub dokręcanie z prawidłowym momentem nakrętek zabezpieczających przeguby wahacza
- nadaje się do dolnych przegubów wahacza na przedniej i tylnej osi
- 3/4"
Zapytaj o produkt
Napisz swoją opinię











