Nasadka do nakrętek rowkowych dla Mercedes-Benz Atego 80 - 95 mm
- Nasadka do nakrętek rowkowych dla Mercedes-Benz Atego 80 - 95 mm
Nasadka do nakrętek rowkowych dla Mercedes-Benz Atego 80 - 95 mm
- pasuje do tylnej osi Mercedes-Benz Atego, Vario 814, MAN itp.
- wyprodukowana zgodnie z DIN 3121 / ISO 1174
- nadaje się do wysokich momentów dokręcania i odkręcania
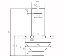
- średnica wewnętrzna 80 mm
- średnica zewnętrzna 95 mm
- średnica prowadnicy 49 mm
- wysokość 185 mm
- średnica trzpienia 87 mm
- ilość trzpieni 6 sztuk
- szerokość trzpienia 10 mm
| Napęd | I 10 |
| Profil napędowy | Czworokąt wewnętrzny |
| Rozmiar profilu napędowego, w calach | 3/4 " |
| Rozmiar profilu napędowego, metryczny | 20 mm |
| Liczba czopów | 6 szt. |
| Masa brutto | 1758 g |
| Materiał | Stal chromowo-molibdenowa |
Marka
Symbol
8269
Zapytaj o produkt
Napisz swoją opinię





